Addressing Modes

Addressing modes define how the processor accesses data. There are 15 different addressing modes, such as: Direct Addressing, Indirect Addressing, Indirect with Displacement, Immediate Addressing, Register Addressing, Relative Addressing, Indirect I/O Addressing, and Stack Addressing.

Details:

1. Direct Single Register Addressing

The operand is contained in the destination register (Rd).

2. Direct Register Addressing, Two Registers

Operands are contained in the source register (Rr) and destination register (Rd). The result is stored in the destination register (Rd).

3. I/O Direct Addressing

Operand address A is contained in the instruction word. Rr/Rd specifies the destination or source register.

4. Data Direct Addressing

A 16-bit Data Address is contained in the 16 LSBs of a two-word instruction. Rd/Rr specify the destination or source register. The LDS instruction uses the RAMPD register to access memory above 64 KB.

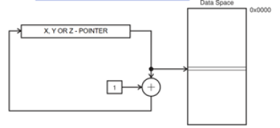
5. Data Indirect Addressing

The operand address is the contents of the X-, Y-, or Z-pointer. Data Indirect Addressing is called Register Indirect Addressing in AVR devices without SRAM.

6. Data Indirect Addressing with Pre-decrement

The X,- Y-, or the Z-pointer is decremented before the operation. The operand address is the decremented contents of the X-, Y-, or the Z-pointer.

7. Data Indirect Addressing with Post-increment

The X-, Y-, or the Z-pointer is incremented after the operation. The operand address is the content of the X-, Y-, or the Z-pointer before incrementing.

8. Data Indirect with Displacement

The operand address is the result of the q displacement contained in the instruction word added to the Y- or Z-pointer. Rd/Rr specify the destination or source register.

9. Program Memory Constant Addressing

Constant byte address is specified by the Z-pointer contents. The 15 MSbs select the word address. For LPM, the LSb selects the low byte if cleared (LSb == 0) or high byte if set (LSb == 1). For SPM, the LSb should be cleared. If ELPM is used, the RAMPZ Register is used to extend the Z-register.

10. Program Memory Addressing with Post-increment

Constant byte address is specified by the Z-pointer contents. The 15 MSbs select word address. The LSb selects low byte if cleared (LSb == 0) or high byte if set (LSb == 1). If ELPM Z+ is used, the RAMPZ Register is used to extend the Z-register.

11. Store Program Memory

The Z-pointer is incremented by 2 after the operation. Constant byte address is specified by the Z-pointer contents before incrementing. The 15 MSbs select word address and the LSb should be left cleared.

12. Direct Program Memory Addressing

Program execution continues at the address immediate in the instruction word.

13. Indirect Program Memory Addressing

Program execution continues at the address contained by the Z-register (i.e., the PC is loaded with the contents of the Z-register).

14. Extended Indirect Program Memory Addressing

Program execution continues at the address contained by the Z-register and the EIND-register (i.e., the PC is loaded with the contents of the EIND and Z-register).

15. Relative Program Memory Addressing

Program execution continues at the address PC + k + 1. The relative address k is from -2048 to 2047.

en/multiasm/piot/chapter_4_5.txt · Last modified: 2025/05/31 07:20 by marcin
CC Attribution-Share Alike 4.0 International
www.chimeric.de Valid CSS Driven by DokuWiki do yourself a favour and use a real browser - get firefox!! Recent changes RSS feed Valid XHTML 1.0