This is an old revision of the document!


Mootorite moodul

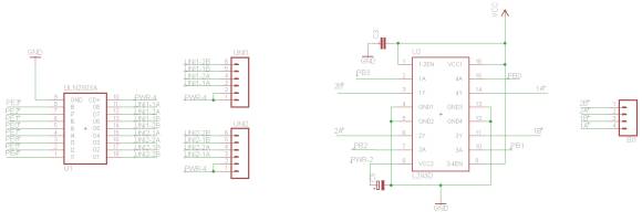
Mootorite moodul koosneb juhtplaadist ja erinevatest mootoritest. Mootori plaat on projekteeritud AVR ATMega128 arendusplaadile, kuid seda saab edukalt kasutada ka teiste mikrokontrollerite ja mootoritega, kuna sisaldab H-sildu (L293D), mis on mootorite juhtimisel üldlevinud.

Moodul eraldab mootorite toited juhtsignaalidest ning võimaldab ühe lintkaabliga ühendada kõik juhtsignaalid kontrollerplaadiga.

Moodul võimaldab juhtida erinevaid mootoritüüpe ning kõigil tüüpidel võib olla erinev toitepinge. Mooduli võimalused:

  • 4 x alaisvoolumootor (või 2 x alaisvoolumootor ja 2 x enkooder)
  • 2 x unipolaarne samm-mootor
  • 1 x bipolaarne samm-mootor
  • 2 x RC servomootor
  • eraldi UART pistik
  • juhtkiipide toite valik - JP1 (kontrollerplaadilt või väline)
  • toite LED

Mootorite toited (PWR)

Pin Kirjeldus Pinge Vool
1 DC mootorid max 500 mA
2 Bipolaarne samm-mootor max 500 mA
3 Servomootorid max 1 A
4 Unipolaarsed samm-mootorid
5 Loogika toide (valitav JP1 abil)
6 Maa (GND)

NB! Pinge ja vool sõltuvad eelkõige kasutatavast mootorist ja ei tohi ületada mootori lubatavaid piirväärtusi. Kodulabori harukaablis on mootorite pinged limiteeritud 5 või 6 V.

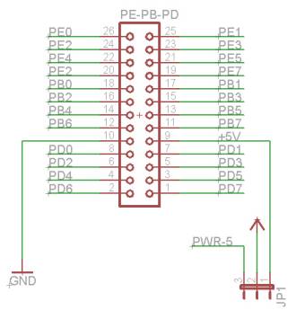
Mootoriplaadi ja kontrolleri vaheline ühendus, Mootoriplaadi toite ühendus ja UART pistiku ühendus

Mootorid

Mootori konkreetsed margid ja mudelid võivad kodulabori komplektides varieeruda, kuid igas komplektis on alati 1 DC mootor, 1 samm-mootor (unipolaarne või bipolaarne) ja 1 servomootor. Allpool on toodud võimalikud mootorid, mis on esinenud Kodulaborite komplektides.

  • DC mootor
    • Micromotors L149.6.10 (reduktor) (andmeleht)
    • Micromotors L149.6.43 (reduktor) (andmeleht)
    • Micromotors LE149.6.10 (reduktor+enkooder) (andmeleht)
  • RC servomootor
  • Unipolaarne samm-mootor
  • Bipolaar samm-mootor
  • Pieso heligeneraator (valikuline)

Elektriline ühendus

Mootoriplaat on kontrollerplaadiga ühendatud ühe ribakaabliga porti PE-PB-PD

Alalisvoolu mootor

AVR Pin AVR Port Kirjeldus
14 PB4 Mootor 1 1A
11 PB7 Mootor 1 2A
8 PD0 Mootor 2 1A
7 PD1 Mootor 2 2A
2 PD6 Mootor 3 1A
1 PD7 Mootor 3 2A
4 PD4 Mootor 4 1A
3 PD5 Mootor 4 2A

Servomootor

AVR Pin AVR Port Kirjeldus
12 PB6 PWM1
13 PB5 PWM2

Samm-mootor

Samm-mootori mähiste ühendused.

Pin Mähise tähis UP ühendus BP ühendus
1 1 + toide
2 2 + toide
3 1a PE0/PE4 PB0
4 2a PE1/PE5 PB1
5 1b PE2/PE6 PB2
6 2b PE3/PE7 PB3
Unipolaarse samm-mootori põhimõtteskeem / Bipolaarse samm-mootori põhimõtteskeem

Mooduli ühendamine

  1. Ühendada mootoriplaat kontrollerplaadiga, kasutades ribakaablit
  2. Ühendada mootor(id)
  3. Ühendada mootoriplaat toitekaabliga
  4. Ühendada kontrollerplaadi toide
et/hardware/motors.1264590277.txt.gz · Last modified: 2020/07/20 09:00 (external edit)
CC Attribution-Share Alike 4.0 International
www.chimeric.de Valid CSS Driven by DokuWiki do yourself a favour and use a real browser - get firefox!! Recent changes RSS feed Valid XHTML 1.0