This is an old revision of the document!


LCD moodul

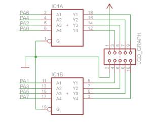
LCD moodul on loogiline moodul, mis hõlmab endas Digitaal plaadi ühendusi ja erinevat tüüpi LCD ekraane. Digitaal plaadi külge on võimalik ühendada 5 V nivool töötavaid tekstilisi LCD ekraane ja alates Digitaal plaadi versioonist 3.2 ka 3,3 V nivool töötavaid graafilisi LCD ekraane. Tekstilise ekraani kontrastsuse reguleerimiseks on Digitaal plaadil väike potentsiomeeter (LCD_BG). Graafilise LCD ekraani kontrastsust reguleeritakse tarkvaraliselt. LCD ekraanid on ühendatud porti PA. Korraga ei ole võimalik mõlemat tüüpi ekraane kasutada.

Elektrilised ühendused

Korraga saab kasutada ainult ühte LCD ekraani.

LCD ekraani ühendamine

et/hardware/lcd.1260287079.txt.gz · Last modified: 2020/07/20 09:00 (external edit)
CC Attribution-Share Alike 4.0 International
www.chimeric.de Valid CSS Driven by DokuWiki do yourself a favour and use a real browser - get firefox!! Recent changes RSS feed Valid XHTML 1.0